• 91香蕉视频污在线观看,91香蕉视频下载安装,91香蕉视频污污下载,91香蕉视频黄色软件APP


    深圳市91香蕉视频污在线观看标准光源有限公司

    TILO 经典传承,源自1998

    111仪器信息网

    全国统一客服热线:

    400-888-5135
    当前位置:主页>新闻中心>行业资讯

    91香蕉视频下载安装校准规范 《JJF(纺织)055—2023》最新版

    文章出处:www.jljx68.com 人气:4664发表时间:2024-08-05

    91香蕉视频下载安装校准规范 《JJF(纺织)055—2023

     

    1 范围

    适用于目测评定纺织品色牢度用的91香蕉视频下载安装及类似的91香蕉视频下载安装

     

    2 计量特性

    ① 相关色温:各光源的相关色温标称值和允许误差见表2。

    ② 相关色温不均匀率:<20%(评级工作台标记框内)

    ③ D65光源光照度:>6001x

    ④光照度不均匀率:<20%(评级工作台标记框内)

     

    91香蕉视频下载安装校准规范 《JJF(纺织)055—2023》 3


    3 校准条件

    ① 环境条件

    ★ 环境:无外界光源照射光源箱(即在黑房内)。

    ★ 温度:室温;相对湿度:<85%。

    ★ 光源箱额定电压:满足市电220 V要求,最大允许误差为额定值的±10%。

    ② 测量标准

    测量标准见表3。

     

     91香蕉视频下载安装校准规范 《JJF(纺织)055—2023》4

     

    4 校准前检查

    ① 基本要求检查

    ★ 在适当部位应有铭牌,铭牌上须标明型号、规格、制造厂、出厂编号和出厂年月。

    ★ 应放置平稳,周围环境清洁,无腐蚀性介质,无直射光和强烈光源直接辐射。

    ★ 箱体内应清洁,无杂物;各面应平整、无疤痕,不得有明显的锈斑和油漆脱落现象;光源箱内壁(底色)环境色为蒙赛无光中性灰N5(相当于GB 250评定变色用灰色样卡1~2级)。

    ★ 顶部安装的灯具应牢固可靠;反光罩不得有明显的变形,反光面上不得有积尘和锈蚀现象。

    ② 安全保护性能检查

    光源箱的电气设备应安全可靠,电源线及接插件无断裂破损现象。接地线与箱体接触可靠。

    ③ 基本功能检查

    ★  光源箱控制面板上的指示符号应清晰醒目,电器控制按钮完整可靠、灵活和可靠;各光源根据配置分别检查各光源工作状况,灯管发光正常,无明显的闪烁现象。

    ★  光源箱光源配备的使用时间累加计时器功能正常。

     

    5 校准项目

    91香蕉视频下载安装校准项目对应本规范计量特性条款和校准方法条款见表4。

     

     91香蕉视频下载安装校准规范 《JJF(纺织)055—2023  5

     

    6 校准方法

    ① 选点

    在评级工作台内均匀选择9个测量点,除中点外其余各点距边线约10cm。

    ② 测量

    光源开启预热15min后开始测量,将照度计和色温表探头分别置于各测量点,探头平放在光源箱工作台面上,探头测试面向上,逐一测量各点的光照度和相关色温。

    ③ 读数

    读数时,待照度计和色温表显示的数字稳定后才读取,每个测量点重复测量三次。

     

    7 校准结果

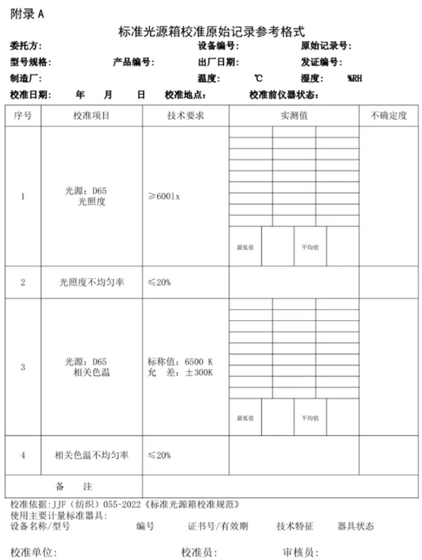
    ① 校准记录

    校准记录应详尽记录测量数据和计算结果。推荐的校准记录格式如下:

     

     91香蕉视频下载安装校准规范 《JJF(纺织)055—2023 6

     

    ② 校准证书

    经校准的91香蕉视频下载安装应出具校准证书,校准结果应在校准证书上反映。校准证书包括的信息应符合JJF 1071-2010中5.12的要求,推荐的校准证书内页格式如下:

     

     91香蕉视频下载安装校准规范 《JJF(纺织)055—2023 7

     

    ③ 不确定性

    校准证书应给出各校准项目测量结果的扩展不确定度

     

    8 复校时间间隔

    在定期进行期间核查的条件下,建议复校时间间隔一般不超过1年。

    注:由于复校时间间隔的长短是由仪器的使用情况、使用者,仪器本身质量等诸因素所决定的,因此,送校单位可根据实际使用情况自主决定复校时间间隔。

     

     


    同类文章排行

    最新资讯文章

    QQ咨询

    在线咨询真诚为您提供专业解答服务

    咨询热线

    400-888-5135
    7*24小时服务热线

    返回顶部
    网站地图